外氣動安全卡盤
瀏覽: 發布日期:2022年-08月-11日 17時:21分:48秒
安全卡盤(安全夾頭)主要用于在卷取過程中的展開和倒帶應用中的輥支撐和扭矩傳遞。 根據所需的安全性和自動化水平,氣動功能卡盤的設計可縮短產品安裝時間,提高卷筒質量,降低維護成本。氣動安全卡盤采用固定或滑動設計,具有獨特的自動關閉功能,即使操作員在裝載后忽略關閉卡盤,也能確保安全性能。有效的承重設計可確保長壽命和平穩的旋轉功能
氣動安全卡盤的設計進一步提高了安全性,減少了新設備的安裝時間,也為手動安全卡盤提供了一個簡單,經濟高效的改造??ūP打開和關閉的遠程激活確保手從潛在的夾點中移除,而冗余的機械安全鎖進一步防止打開時在操作或操作時被打開。既保證了安全性又提高了工作效率。所以,可以預計的是,隨著未來行業的發展及設備的升級,氣動安全卡盤的應用也會越來越廣泛。
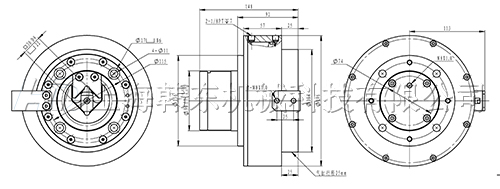
外氣動安全卡盤原理:
原理與直推安全卡盤相同,上卡塊外圈連接氣缸,氣缸直接推動卡塊實現卡盤開合。
外氣動安全卡盤結構圖:

如需更多產品資料,可聯系網站客服!










