齒形氣動離合器BTC-40
瀏覽: 發布日期:2016年-12月-26日 14時:04分:21秒
一.齒形氣動離合器BTC型產品概述
BTC型(齒合式)離合器是由兩枚平面齒盤在通氣時 內部軸向移動來齒合連接,泄壓時由復位彈簧自動分離
BTC-10,BTC-20,BTC-40,BTC-60,BTC-80,BTC-120
三.齒形氣動離合器BTC型功能特點
1. BTC型(齒合式)離合器是由兩枚平面齒盤在通氣時 內部軸向移動來齒合連接,泄壓時由復位彈簧自動分離.
2. BTC型齒合式氣動離合器為齒合齒的連接傳達動力,因此無打滑,動力傳達精致.外形小但額傳達大扭矩,可在狹小空間使用,其扭矩范圍從0.01kgf.m-16600kgf.m的規格可供選擇
3. 齒與齒的連接,體積小,但傳遞的扭矩是其他同等體積的數倍.
4. 1比1定值傳遞無滑差、無扭矩耗失.
5. 連接或分離均可快速完成,動作靈敏快捷.
6. 一體化結構安裝簡單,不用擔心齒合同軸度.
7. 需低速連接,但可高速運行轉.
8. 干式、濕式、均可使用.
四.齒形氣動離合器BTC型外形尺寸


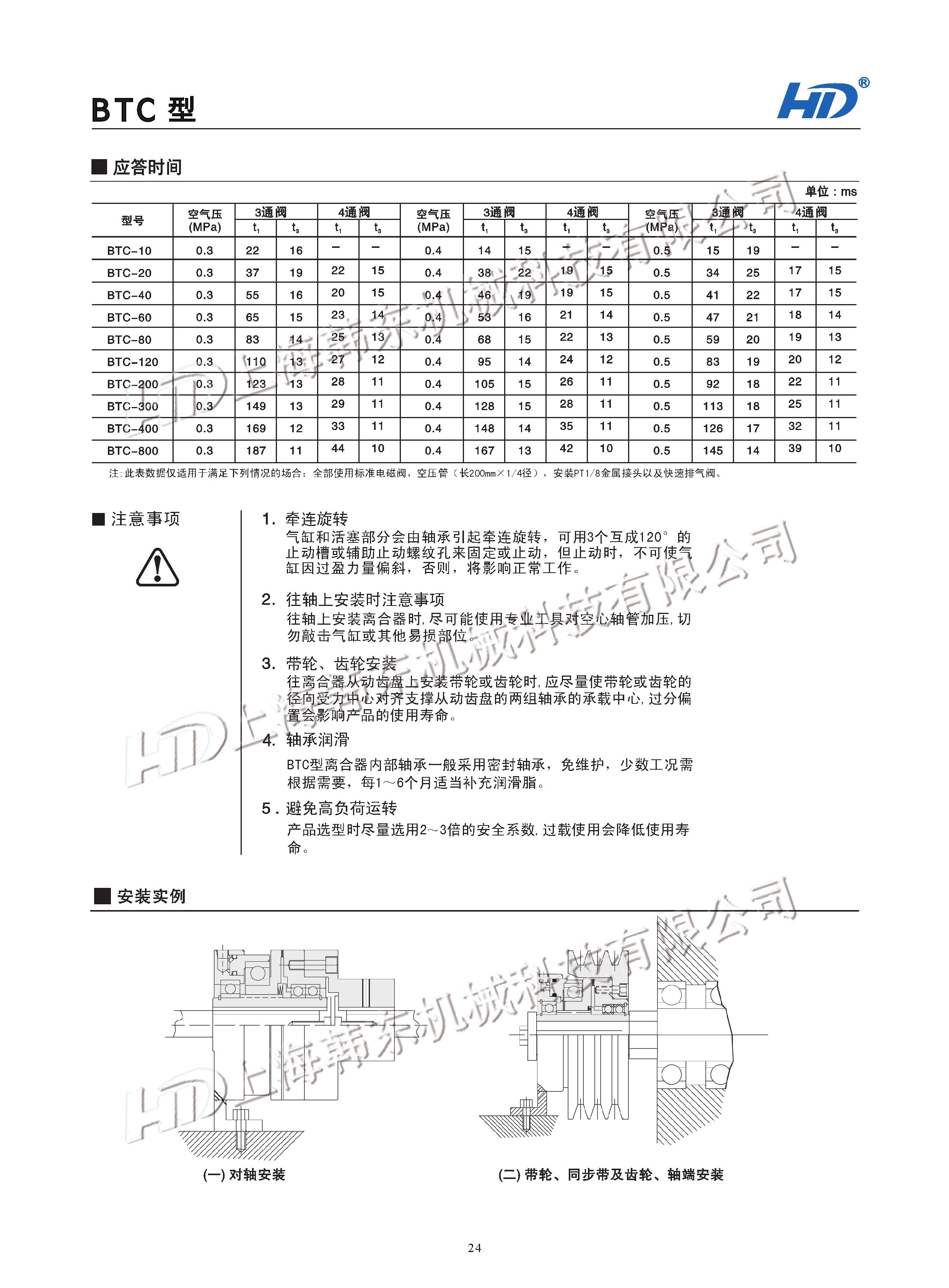
1. 氣缸的牽連回轉
氣缸和活塞部分由于軸承的作用發生的牽連回轉,用3個45度的槽或Z-M的螺紋來固定或止動.但要止動適當,不能因外界過盈力量使氣缸偏、斜而工作不正常.
2. 往軸上安裝時注意
往軸上安裝離合器時,盡可能使用專用工具對空心軸管加壓,切勿沖擊氣缸或其他易損部位.
3. 帶輪、齒輪的軸端安裝
帶輪或齒輪的徑向受力中心盡量對齊法蘭內部兩組軸承的軸承中心,過分偏置會影響產品的使用壽命.
4. 軸承相關
一般都采用的密封軸承,免維護,少數部分需根據使用環境的關系,通常1至6個月適當補充潤滑脂來維護.
5. 避免超負荷運轉
產品選型時盡量采用轉矩1.5倍至2倍的安全系數,過載使用會造成齒面的損壞或降低使用壽命.
如有需要產品詳細參數、選型、貨期、報價等信息,歡迎聯系我們!電話:15201805440(微信同號)本公司產品均可定制,型號眾多,歡迎選購!
相關產品推薦:《環衛車氣動離合器BDC》《內齒式氣動離合器HBS》《空壓通軸離合器NAC型》










